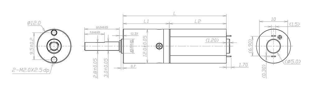
12MM金属减速齿轮箱
| 齿轮级数 | 1 | 2 | 3 | 4 |
| 减速比 | 4/6 | 16/24/36 | 64/96/144/216 | 256/384/576/864/1296 |
| 最大容许扭力(gf.cm) | 2000 | 2000 | 2000 | 2000 |
| 瞬间容许力矩(gf.cm) | 6000 | 6000 | 6000 | 6000 |
| 齿轮箱效率 | 87 | 74 | 63 | 56 |
| 长度 | 12.4 | 16.2 | 20 | 23.8 |
| 马达(可选择) | 直流有刷电机、直流无刷电机、步进电机 |
| 电压(可选择) | 3-24V |
| 输入速度 | ≤30000rpm |
| 电流 | 250mA max |

- 驱动比
- 4/6
- 最大容许扭力(gf.cm)
- 2000
- 瞬间容许力矩(gf.cm):
- 6000
- 齿轮箱效率
- 87
- 长度
- 12.4
- 驱动比
- 16/24/36
- 最大容许扭力(gf.cm)
- 2000
- 瞬间容许力矩(gf.cm):
- 6000
- 齿轮箱效率
- 74
- 长度
- 16.2
- 驱动比
- 64/96/144/216
- 最大容许扭力(gf.cm)
- 2000
- 瞬间容许力矩(gf.cm):
- 6000
- 齿轮箱效率
- 63
- 长度
- 20
- 驱动比
- 256/384/576/864/1296
- 最大容许扭力(gf.cm)
- 2000
- 瞬间容许力矩(gf.cm):
- 6000
- 齿轮箱效率
- 56
- 长度
- 23.8
| 马达(可选择) | 直流有刷电机 |
| 电压(可选择) | 3-24V |
| 输入速度 | ≤30000rpm |
| 电流 | 250mA max |
- 额定转速(rpm):
- 1875
- 最高转速(rpm):
- 7500
- 额定容许力矩(gf.cm):
- 2000
- 瞬间容许力矩(gf.cm):
- 6000
- 减速比:
- 4
- 减速箱长L1(mm):
- 12.4
- 总长L(mm):
- 32.4
- 额定转速(rpm):
- 1250
- 最高转速(rpm):
- 5000
- 额定容许力矩(gf.cm):
- 2000
- 瞬间容许力矩(gf.cm):
- 6000
- 减速比:
- 6
- 减速箱长L1(mm):
- 12.4
- 总长L(mm):
- 32.4
- 额定转速(rpm):
- 469
- 最高转速(rpm):
- 1875
- 额定容许力矩(gf.cm):
- 2000
- 瞬间容许力矩(gf.cm):
- 6000
- 减速比:
- 16
- 减速箱长L1(mm):
- 16.2
- 总长L(mm):
- 36.2
- 额定转速(rpm):
- 313
- 最高转速(rpm):
- 1250
- 额定容许力矩(gf.cm):
- 2000
- 瞬间容许力矩(gf.cm):
- 6000
- 减速比:
- 24
- 减速箱长L1(mm):
- 16.2
- 总长L(mm): 36.2
- 额定转速(rpm):
- 208
- 最高转速(rpm):
- 833
- 额定容许力矩(gf.cm):
- 2000
- 瞬间容许力矩(gf.cm):
- 6000
- 减速比:
- 36
- 减速箱长L1(mm):
- 16.2
- 总长L(mm):
- 36.2
- 额定转速(rpm):
- 117
- 最高转速(rpm):
- 469
- 额定容许力矩(gf.cm):
- 2000
- 瞬间容许力矩(gf.cm):
- 6000
- 减速比:
- 64
- 减速箱长L1(mm):
- 20
- 总长L(mm):
- 40
- 额定转速(rpm):
- 78
- 最高转速(rpm):
- 313
- 额定容许力矩(gf.cm):
- 2000
- 瞬间容许力矩(gf.cm):
- 6000
- 减速比:
- 96
- 减速箱长L1(mm):
- 20
- 总长L(mm):
- 40
- 额定转速(rpm):
- 52
- 最高转速(rpm):
- 208
- 额定容许力矩(gf.cm):
- 2000
- 瞬间容许力矩(gf.cm):
- 6000
- 减速比:
- 144
- 减速箱长L1(mm):
- 20
- 总长L(mm):
- 40
- 额定转速(rpm):
- 35
- 最高转速(rpm):
- 139
- 额定容许力矩(gf.cm):
- 2000
- 瞬间容许力矩(gf.cm):
- 6000
- 减速比:
- 216
- 减速箱长L1(mm):
- 20
- 总长L(mm):
- 40
- 额定转速(rpm):
- 29
- 最高转速(rpm):
- 117
- 额定容许力矩(gf.cm):
- 2000
- 瞬间容许力矩(gf.cm):
- 6000
- 减速比:
- 256
- 减速箱长L1(mm):
- 23.8
- 总长L(mm):
- 43.8
- 额定转速(rpm):
- 20
- 最高转速(rpm):
- 78
- 额定容许力矩(gf.cm):
- 2000
- 瞬间容许力矩(gf.cm):
- 6000
- 减速比:
- 384
- 减速箱长L1(mm):
- 23.8
- 总长L(mm):
- 43.8
- 额定转速(rpm):
- 13
- 最高转速(rpm):
- 52
- 额定容许力矩(gf.cm):
- 2000
- 瞬间容许力矩(gf.cm):
- 6000
- 减速比:
- 576
- 减速箱长L1(mm):
- 23.8
- 总长L(mm):
- 43.8
- 额定转速(rpm):
- 9
- 最高转速(rpm):
- 35
- 额定容许力矩(gf.cm):
- 2000
- 瞬间容许力矩(gf.cm):
- 6000
- 减速比:
- 864
- 减速箱长L1(mm):
- 23.8
- 总长L(mm):
- 43.8
- 额定转速(rpm):
- 6
- 最高转速(rpm):
- 23
- 额定容许力矩(gf.cm):
- 2000
- 瞬间容许力矩(gf.cm):
- 6000
- 减速比:
- 1296
- 减速箱长L1(mm):
- 23.8
- 总长L(mm):
- 43.8
*以上规格数据仅供参考,如有修改恕不另行通知。
* The above specifications are subject to change without prior notice.














